- Home
- Our Product
- Turnstiles
Call Us 24/7
7990876429Send Us Mail
sales@smarttec.in
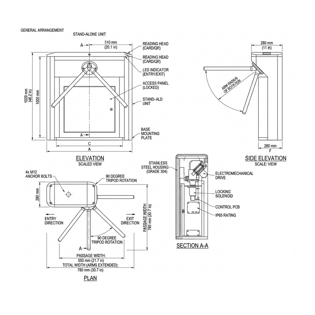
Smart Tec Turnstiles are designed to provide secure and controlled pedestrian access for commercial, industrial, corporate, and high-security environments. These systems ensure that only authorized individuals can enter or exit a facility, improving safety, monitoring, and traffic management.
Ideal for offices, factories, metro stations, stadiums, data centers, educational institutions, and residential complexes, Smart Tec turnstiles combine strong construction with intelligent automation for smooth and reliable performance.

| Parameter | Specification |
|---|---|
| Product Type | Tripod / Flap Barrier / Full Height Turnstile |
| Structure Material | Stainless Steel (SS 304) / Powder Coated MS |
| Operation | Automatic / Semi-Automatic |
| Passage Width | Standard / Wide lane (optional) |
| Direction Control | Single / Bi-directional |
| Installation | Indoor / Outdoor |
| Application | Commercial / Industrial / Institutional |
| Parameter | Specification |
|---|---|
| Drive Type | Electro-mechanical mechanism |
| Motor Voltage | 24V DC |
| Power Supply | 230V Single Phase |
| Unlocking Time | 0.2 – 0.5 Seconds |
| Duty Cycle | High-frequency usage |
| Emergency Mode | Free rotation during power failure (configurable) |
| Protection Rating | IP54 / IP65 (Outdoor model) |
| Parameter | Specification |
|---|---|
| Control Type | Intelligent control board |
| Access Control | RFID / Biometric / Face Recognition compatible |
| Token System | Optional |
| LED Indicators | Entry / Exit status display |
| Anti-Tailgating | Supported |
| Communication Interface | Dry Contact / RS485 |
| Emergency Input | Fire alarm integration |
| Protection | Overload & short circuit protection |


