- Home
- Our Product
- Boom Barrier
Call Us 24/7
7990876429Send Us Mail
sales@smarttec.in
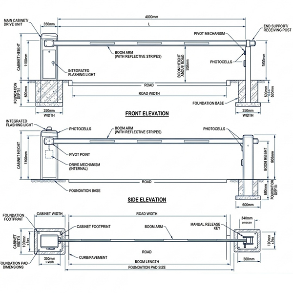
Smart Tec Boom Barriers are designed to provide efficient vehicle access control and traffic management for commercial, industrial, residential, and institutional premises. Built with robust construction and intelligent automation, our boom barriers ensure smooth operation, long service life, and reliable security for high-traffic entry and exit points.
Ideal for toll plazas, parking areas, factories, warehouses, corporate offices, residential societies, and checkpoints, Smart Tec boom barriers offer fast opening and closing with minimal maintenance.

| Parameter | Specification |
|---|---|
| Product Type | Automatic Boom Barrier |
| Boom Length | 3 Meter / 4 Meter / 6 Meter (customizable) |
| Boom Material | Aluminium with reflective strips |
| Housing Material | Powder coated MS steel |
| Opening Time | 3 – 6 Seconds (depending on boom length) |
| Operation | Automatic |
| Mounting Type | Surface mounted |
| Application | Parking / Industrial / Toll / Security |
| Usage | Indoor & Outdoor |
| Parameter | Specification |
|---|---|
| Motor Type | Heavy-duty geared motor |
| Motor Power | 0.25 HP – 0.5 HP |
| Power Supply | 230V Single Phase |
| Operating Voltage | 24V DC (control circuit) |
| Duty Cycle | High-frequency usage |
| Drive Mechanism | Crank & balancing spring system |
| Manual Override | Key release during power failure |
| Protection Rating | IP54 / IP55 |
| Parameter | Specification |
|---|---|
| Control Type | Automatic Control Panel |
| Operation Modes | Auto / Manual |
| Functions | Open / Stop / Close |
| Remote Control | RF Remote Transmitter |
| Loop Detector Integration | Compatible |
| Access Control | RFID / ANPR / Card System compatible |
| Safety Input | Photocell / Safety Sensor |
| Protection | Overload & Short Circuit Protection |
| Emergency Stop | Included |


